Description
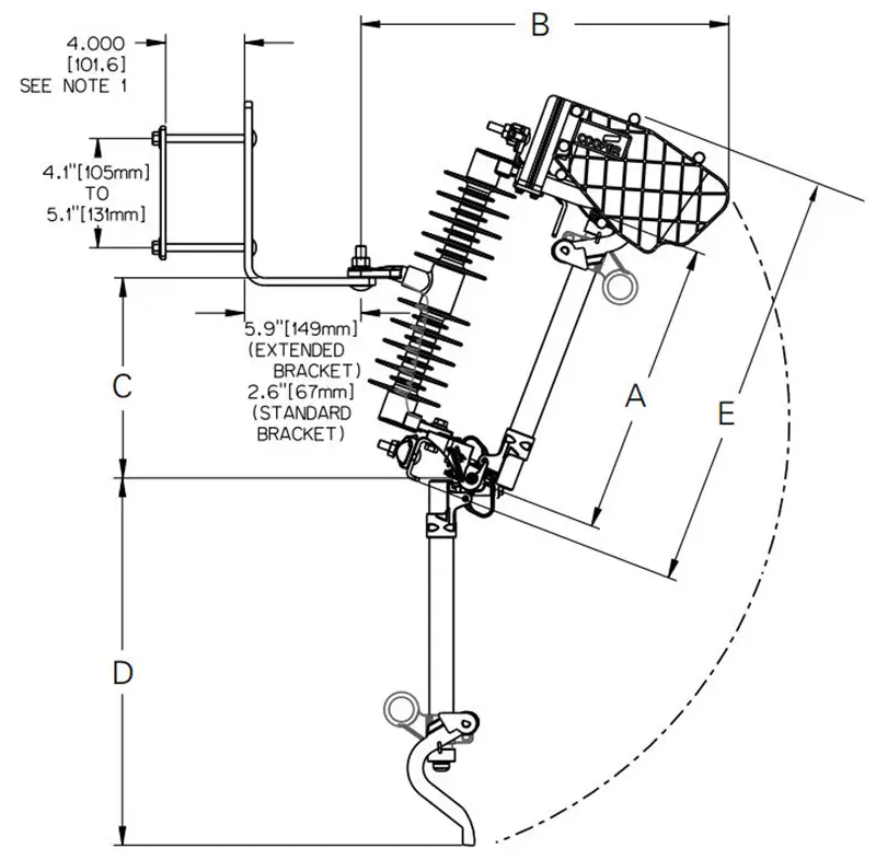
Plans techniques et spécifications du fusible à expulsion à coupure sous charge
Les dimensions s’appliquent aux fusibles à expulsion à coupure sous charge de type polymère et porcelaine
| Tension nominale (kV) | Tension de tenue aux chocs BIL (kV) | Dimensions (pouces / mm) | Distance de fuite (pouces / mm) | |||||
| A | B | C | D | E | Polymère | Porcelaine | ||
| 15 | 110 | 11.1(281) | 18.1(459) | 8.5(216) | 15.2(386) | 17.9(456) | 14.2(362) | 8.5(216) |
| 27 | 125 | 14.9(378) | 18.6(473) | 10.1(257) | 18.6(473) | 21.3(542) | 22.3(566) | 17.0(432) |








